Ковзани, ролики, скейтборди, лижі
- Аксесуари для гірських лиж
- Аксесуари для сноубордів
- Баскетбольні стійки
Дивитися ще
Спортивна зброя
- Засоби для чищення
- Зброя під патрон Флобера
- Збільшувачі для прицілів
Дивитися ще
Тактичне спорядження
- Жилети розвантажувальні
- Засоби для знезараження води
- Зенітні прожектори
Дивитися ще
Показати всі категорії
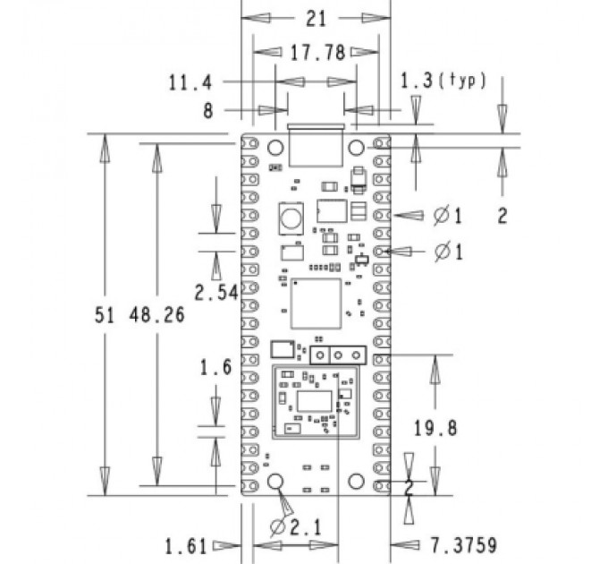
Raspberry Pi Pico WH - це мікроконтролерна плата на базі мікроконтролера Raspberry Pi RP2040, призначена для використання як недорога, але гнучка платформа розробки. Плата має бездротовий інтерфейс 2,4 ГГц (Wi-Fi 802.11n) і поставляється з розпаяними контактами (Header).
Raspberry Pi Pico WH має вбудований бустер (SMPS), здатний генерувати 3,3 В, необхідні для живлення RP2040 (і зовнішніх схем), з широкого діапазону вхідних напруг (~1,8-5,5 В). Це забезпечує значну гнучкість при живленні пристрою від різних джерел, наприклад, від одного літій-іонного елемента або трьох послідовно з'єднаних батарей типу AA. Зарядні пристрої також можуть бути легко інтегровані в ланцюг живлення Pico W.
Перепрограмування флеш-пам'яті Pico WH може бути виконано за допомогою USB-з'єднання (просто перетягніть файл на Pico WH, який відображається як пристрій зберігання даних), або за допомогою порту SWD (послідовне дротове налагодження) ви можете перезавантажити систему, завантажити і виконати код без натискання кнопки. Порт SWD також можна використовувати для інтерактивного налагодження коду, запущеного на RP2040, для пошуку "помилок" у коді.
Особливості:
| Характеристики | ||
| Кількість | 1 шт | |
| Розміри | 51 x 21 мм | |
| Тип | мікроконтролер | |



